
Wideodomofon jednorodzinny Spacetronik DiO SPD-DS901
Jednoabonentowa stacja wideodomofonu z wbudowanym czytnikiem zbliżeniowym RFiD umożliwiającym otwieranie wejścia za pomocą karty lub breloków. Panel wyróżnia się estetycznie wykonaną wandaloodporną obudową ze stopu aluminium, w którą wkomponowany został czytnik zbliżeniowy oraz podświetlany szyld. Do każdego wideodomofonu można dołożyć dodatkowe breloki lub karty, a odbywa się to za pomocą załączonej karty Master. Podświetlenie nocne LED pozwala na komfortowe korzystanie z urządzenia w warunkach niedostatecznej widoczności.
Wygodny styl życia
Elegancki design, łatwość użytkowania i praktyczność to cechy, które opisują system wideodomofonowy Spacetronik DiO. Rozmawiaj ze swoimi gośćmi i przyjrzyj się im uważnie, zanim zdecydujesz się otworzyć drzwi. Zadbasz w ten sposób o bezpieczeństwo i uczynisz swoje życie wygodniejszym. Zaletą modelu SPD-DS901 jest szerokokątny obiektyw umożliwiający obserwację w zakresie 120° z dodatkową funkcją regulacji obiektywu góra/dół.

Łatwy montaż
Instalacja wideodomofonu jest stosunkowo prosta. Tylną obudowę przytwierdzamy do ściany za pomocą kołków i dalej do niej przykręcamy całą obudowę wideodomofonu. Na samym końcu montujemy osłonę pogodową.
Budowa urządzenia

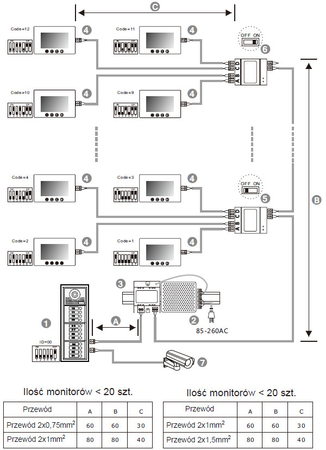
Przykładowa instalacja

1. Stacja zewnętrzna, gdy jest tylko jedna stacja domofonowa, bit-1, bit-2 i bit-3 powinny być ustawione na OFF
2. Zasilacz, MUSI być zainstalowany obok siebie z separatorem zasilania
3. Separator zasilania, MUSI być zainstalowany obok siebie z zasilaczem
4. Monitory - każdy z unikalnym kodem użytkownika, zauważ, że w tym przypadku wszystkie bit-6 powinny być ustawione na ON
5. Przełącznik rozdzielacza wideo przełącz na OFF, chyba że znajduje się na końcu linii
6. Ustaw przełącznik dystrybutora wideo na ON na końcu linii
7. Dodatkowa kamera
Specyfikacja techniczna
- Stacja zewnętrzna
- Zasilanie 24 V DC (z zasilacza)
- Model SPD-DS901 z funkcją RFID obsługuje 1 użytkownika
- Night Vision IR Night Vision
- Materiał aluminium
- Odporny na warunki atmosferyczne IP65
- Obiektyw 1,0 MP 3,6 mm, regulacja góra/dół
- Kamera szerokokątna 170 °
- Zużycie energii – czuwanie 1W, praca 5W
- Zasilacz dostarczany z monitora wewnętrznego
- Temperatura Pracy -20ºC- + 55ºC
- Instalacja Montaż podtynkowy
- Wymiary: 195x130x52 mm
- Wymiary montażowe: 185x110x33 mm
W zestawie
- Wideodomofon Spacetronik DiO SPD-DS901
- Przewody podłączeniowe
- Kołki montażowe
- Karty zbliżeniowe 2sz + Master 1szt.
- Klucz imbusowy
- Instrukcja obsługi i montażu
Podstawowe zalety systemu Spacetronik DiO
- całość systemu oparta na 2 żyłach (2-wire)
- brak polaryzacji
- wandaloodporna obudowa
- mozliwość montażu modułów na szynie DIN
- złącze wtykowe Plug-in
- konfiguracja i adresowanie przy użyciu przycisków funkcyjnych DIP
- możliwość rozszerzenia o kamerę
- możliwośc rozszerzenia o kartę SD
- zapis zdjęć i filmów
- proste wejście za pomocą breloków RFiD
Przykładowe schematy podłączenia systemu Spacetronik DiO


Instrukcja obsługi w j. polskim do pobrania >>TUTAJ<<
https://s.spacetronik.pl/zdjecia_DMTRADE/katalogi/dio/ds901/DS90xPL.pdf
Instrukcja obsługi w j. angielskim do pobrania >>TUTAJ<<
https://s.spacetronik.pl/zdjecia_DMTRADE/katalogi/dio/ds901/DS90xEN.pdf










































